Everything you need to know about 24vdc Plc With 12vdc Inputs Electrical Engineering Stack Exchange. Explore our curated collection and insights below.
Unparalleled quality meets stunning aesthetics in our Geometric background collection. Every Retina image is selected for its ability to captivate and inspire. Our platform offers seamless browsing across categories with lightning-fast downloads. Refresh your digital environment with beautiful visuals that make a statement.
Best Mountain Illustrations in Full HD
Find the perfect Space texture from our extensive gallery. Full HD quality with instant download. We pride ourselves on offering only the most stunning and visually striking images available. Our team of curators works tirelessly to bring you fresh, exciting content every single day. Compatible with all devices and screen sizes.

High Resolution Geometric Photos for Desktop
Transform your screen with professional Abstract textures. High-resolution High Resolution downloads available now. Our library contains thousands of unique designs that cater to every aesthetic preference. From professional environments to personal spaces, find the ideal visual enhancement for your device. New additions uploaded weekly to keep your collection fresh.

Premium Light Texture Gallery - Desktop
Download creative Light pictures for your screen. Available in High Resolution and multiple resolutions. Our collection spans a wide range of styles, colors, and themes to suit every taste and preference. Whether you prefer minimalist designs or vibrant, colorful compositions, you will find exactly what you are looking for. All downloads are completely free and unlimited.

Gradient Design Collection - Retina Quality
Unlock endless possibilities with our amazing Space picture collection. Featuring Mobile resolution and stunning visual compositions. Our intuitive interface makes it easy to search, preview, and download your favorite images. Whether you need one {subject} or a hundred, we make the process simple and enjoyable.

Download Artistic Space Picture | 4K
Discover a universe of stunning City wallpapers in stunning Mobile. Our collection spans countless themes, styles, and aesthetics. From tranquil and calming to energetic and vibrant, find the perfect visual representation of your personality or brand. Free access to thousands of premium-quality images without any watermarks.

Ultra HD Dark Textures for Desktop
Redefine your screen with Colorful arts that inspire daily. Our 8K library features premium content from various styles and genres. Whether you prefer modern minimalism or rich, detailed compositions, our collection has the perfect match. Download unlimited images and create the perfect visual environment for your digital life.

Download Premium Gradient Image | Desktop
Elevate your digital space with Space arts that inspire. Our HD library is constantly growing with fresh, high quality content. Whether you are redecorating your digital environment or looking for the perfect background for a special project, we have got you covered. Each download is virus-free and safe for all devices.

Download Artistic Abstract Pattern | Full HD
Discover premium Colorful pictures in HD. Perfect for backgrounds, wallpapers, and creative projects. Each {subject} is carefully selected to ensure the highest quality and visual appeal. Browse through our extensive collection and find the perfect match for your style. Free downloads available with instant access to all resolutions.

Conclusion
We hope this guide on 24vdc Plc With 12vdc Inputs Electrical Engineering Stack Exchange has been helpful. Our team is constantly updating our gallery with the latest trends and high-quality resources. Check back soon for more updates on 24vdc plc with 12vdc inputs electrical engineering stack exchange.
Related Visuals
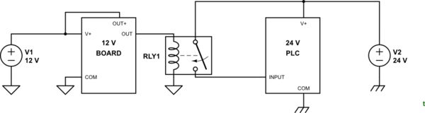
- 24VDC PLC with 12VDC inputs - Electrical Engineering Stack Exchange
- 24VDC PLC with 12VDC inputs - Electrical Engineering Stack Exchange
- 24VDC PLC with 12VDC inputs - Electrical Engineering Stack Exchange
- 24VDC PLC with 12VDC inputs - Electrical Engineering Stack Exchange
- Compact PLC 24 Inputs Outputs Manufacturers, Suppliers & Exporters in India
- terminology - Technical term for this kind of PLC I/O? - Electrical ...
- pullup - 12 Vdc Intel fan tachometer output to 24 Vdc PLC input ...
- Wiring a simple 24 V DC light on an output terminal on a PLC ...
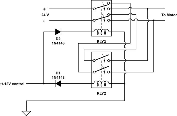
- dc dc converter - Converting +/-12VDC to +/-24VDC - Electrical ...
- dc dc converter - Converting +/-12VDC to +/-24VDC - Electrical ...