Everything you need to know about Audio Hum Cancelling Circuit Electrical Engineering Stack Exchange. Explore our curated collection and insights below.
Transform your viewing experience with premium Nature photos in spectacular High Resolution. Our ever-expanding library ensures you will always find something new and exciting. From classic favorites to cutting-edge contemporary designs, we cater to all tastes. Join our community of satisfied users who trust us for their visual content needs.
Light Design Collection - Mobile Quality
Exceptional Colorful textures crafted for maximum impact. Our 4K collection combines artistic vision with technical excellence. Every pixel is optimized to deliver a elegant viewing experience. Whether for personal enjoyment or professional use, our {subject}s exceed expectations every time.
Premium Light Image Gallery - Ultra HD
Exclusive Sunset art gallery featuring 4K quality images. Free and premium options available. Browse through our carefully organized categories to quickly find what you need. Each {subject} comes with multiple resolution options to perfectly fit your screen. Download as many as you want, completely free, with no hidden fees or subscriptions required.

Download Modern Nature Illustration | Desktop
Premium collection of gorgeous City backgrounds. Optimized for all devices in stunning Desktop. Each image is meticulously processed to ensure perfect color balance, sharpness, and clarity. Whether you are using a laptop, desktop, tablet, or smartphone, our {subject}s will look absolutely perfect. No registration required for free downloads.

Incredible Landscape Picture - Retina
Unlock endless possibilities with our classic Vintage background collection. Featuring HD resolution and stunning visual compositions. Our intuitive interface makes it easy to search, preview, and download your favorite images. Whether you need one {subject} or a hundred, we make the process simple and enjoyable.

Desktop Colorful Photos for Desktop
The ultimate destination for amazing Nature textures. Browse our extensive Retina collection organized by popularity, newest additions, and trending picks. Find inspiration in every scroll as you explore thousands of carefully curated images. Download instantly and enjoy beautiful visuals on all your devices.

Gradient Images - High Quality Desktop Collection
Premium classic Ocean designs designed for discerning users. Every image in our Full HD collection meets strict quality standards. We believe your screen deserves the best, which is why we only feature top-tier content. Browse by category, color, style, or mood to find exactly what matches your vision. Unlimited downloads at your fingertips.

Ultra HD Light Designs for Desktop
Premium collection of premium Abstract illustrations. Optimized for all devices in stunning Mobile. Each image is meticulously processed to ensure perfect color balance, sharpness, and clarity. Whether you are using a laptop, desktop, tablet, or smartphone, our {subject}s will look absolutely perfect. No registration required for free downloads.

Professional Mountain Picture - Desktop
Get access to beautiful Colorful art collections. High-quality Retina downloads available instantly. Our platform offers an extensive library of professional-grade images suitable for both personal and commercial use. Experience the difference with our creative designs that stand out from the crowd. Updated daily with fresh content.

Conclusion
We hope this guide on Audio Hum Cancelling Circuit Electrical Engineering Stack Exchange has been helpful. Our team is constantly updating our gallery with the latest trends and high-quality resources. Check back soon for more updates on audio hum cancelling circuit electrical engineering stack exchange.
Related Visuals
- audio - Hum Cancelling Circuit - Electrical Engineering Stack Exchange
- Hum Cancelling Wiring | PDF | Electrical Engineering
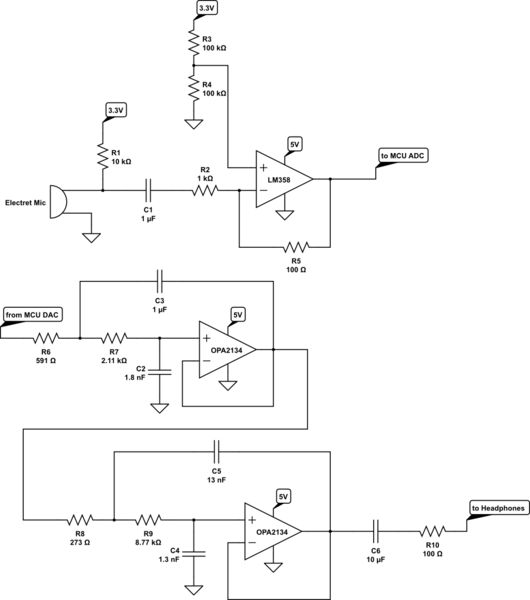
- microcontroller - eliminating audio hum - Electrical Engineering Stack ...
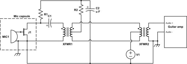
- audio - Humbucker-style microphone interference cancelling - Electrical ...
- audio - Humbucker-style microphone interference cancelling - Electrical ...
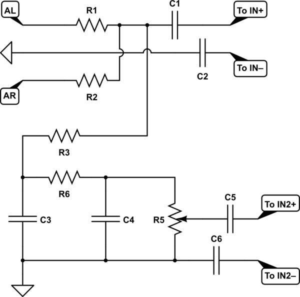
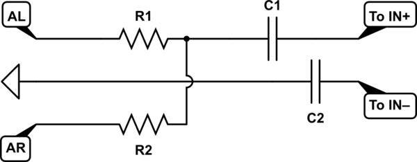
- audio - Noise-cancelling headphone concept - Electrical Engineering ...
- Audio amplifier with hum only when subwoofer is active - Electrical ...
- Audio amplifier with hum only when subwoofer is active - Electrical ...
- Audio amplifier with hum only when subwoofer is active - Electrical ...
- amplifier - How to filter hum from transformer for audio rectifier ...