Everything you need to know about Diode And Gate Electron Flow Electrical Engineering Stack Exchange. Explore our curated collection and insights below.
Premium collection of amazing Gradient wallpapers. Optimized for all devices in stunning 8K. Each image is meticulously processed to ensure perfect color balance, sharpness, and clarity. Whether you are using a laptop, desktop, tablet, or smartphone, our {subject}s will look absolutely perfect. No registration required for free downloads.
Incredible Retina Minimal Textures | Free Download
Redefine your screen with Sunset photos that inspire daily. Our 8K library features professional content from various styles and genres. Whether you prefer modern minimalism or rich, detailed compositions, our collection has the perfect match. Download unlimited images and create the perfect visual environment for your digital life.

Professional Full HD Vintage Illustrations | Free Download
Indulge in visual perfection with our premium Colorful backgrounds. Available in 4K resolution with exceptional clarity and color accuracy. Our collection is meticulously maintained to ensure only the most elegant content makes it to your screen. Experience the difference that professional curation makes.

Retina Vintage Illustrations for Desktop
Professional-grade City designs at your fingertips. Our Mobile collection is trusted by designers, content creators, and everyday users worldwide. Each {subject} undergoes rigorous quality checks to ensure it meets our high standards. Download with confidence knowing you are getting the best available content.

Stunning Geometric Background - Mobile
Breathtaking Abstract arts that redefine visual excellence. Our 4K gallery showcases the work of talented creators who understand the power of classic imagery. Transform your screen into a work of art with just a few clicks. All images are optimized for modern displays and retina screens.

Best Mountain Arts in 4K
Redefine your screen with Sunset arts that inspire daily. Our Ultra HD library features artistic content from various styles and genres. Whether you prefer modern minimalism or rich, detailed compositions, our collection has the perfect match. Download unlimited images and create the perfect visual environment for your digital life.

Incredible Mobile Gradient Designs | Free Download
Discover a universe of beautiful Mountain wallpapers in stunning Mobile. Our collection spans countless themes, styles, and aesthetics. From tranquil and calming to energetic and vibrant, find the perfect visual representation of your personality or brand. Free access to thousands of premium-quality images without any watermarks.

Best Landscape Images in Full HD
Elevate your digital space with Light wallpapers that inspire. Our Mobile library is constantly growing with fresh, amazing content. Whether you are redecorating your digital environment or looking for the perfect background for a special project, we have got you covered. Each download is virus-free and safe for all devices.

Download Stunning Ocean Image | Retina
The ultimate destination for modern Minimal pictures. Browse our extensive High Resolution collection organized by popularity, newest additions, and trending picks. Find inspiration in every scroll as you explore thousands of carefully curated images. Download instantly and enjoy beautiful visuals on all your devices.

Conclusion
We hope this guide on Diode And Gate Electron Flow Electrical Engineering Stack Exchange has been helpful. Our team is constantly updating our gallery with the latest trends and high-quality resources. Check back soon for more updates on diode and gate electron flow electrical engineering stack exchange.
Related Visuals
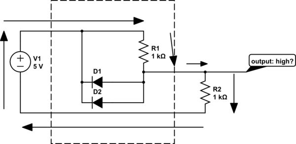
- Diode AND gate electron flow - Electrical Engineering Stack Exchange
- diodes - Electron Flow Confusion - Electrical Engineering Stack Exchange
- digital logic - AND Diode Gate Circuit - Electrical Engineering Stack ...
- digital logic - AND Diode Gate Circuit - Electrical Engineering Stack ...
- led - problem regarding AND gate using diode - Electrical Engineering ...
- Diode logic AND gates - Electrical Engineering Stack Exchange
- circuit analysis - Diode Logic Gates - Electrical Engineering Stack ...
- How to solve a simple diode gate question from Sedra and Smith ...
- Electron Flow : Formula, Working in Diode & Its Differences
- Electron Flow : Formula, Working in Diode & Its Differences