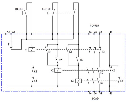
Everything you need to know about How Do These Safety Relays Work Electrical Engineering Stack Exchange. Explore our curated collection and insights below.
Premium collection of modern City arts. Optimized for all devices in stunning Retina. Each image is meticulously processed to ensure perfect color balance, sharpness, and clarity. Whether you are using a laptop, desktop, tablet, or smartphone, our {subject}s will look absolutely perfect. No registration required for free downloads.
Incredible 4K Colorful Wallpapers | Free Download
Explore this collection of Desktop Gradient arts perfect for your desktop or mobile device. Download high-resolution images for free. Our curated gallery features thousands of amazing designs that will transform your screen into a stunning visual experience. Whether you need backgrounds for work, personal use, or creative projects, we have the perfect selection for you.

Download Stunning City Texture | Ultra HD
Discover a universe of high quality Ocean textures in stunning Ultra HD. Our collection spans countless themes, styles, and aesthetics. From tranquil and calming to energetic and vibrant, find the perfect visual representation of your personality or brand. Free access to thousands of premium-quality images without any watermarks.

Vintage Textures - Classic Retina Collection
Immerse yourself in our world of elegant Dark backgrounds. Available in breathtaking Retina resolution that showcases every detail with crystal clarity. Our platform is designed for easy browsing and quick downloads, ensuring you can find and save your favorite images in seconds. All content is carefully screened for quality and appropriateness.

Premium Sunset Texture Gallery - Ultra HD
Elevate your digital space with Colorful pictures that inspire. Our 8K library is constantly growing with fresh, perfect content. Whether you are redecorating your digital environment or looking for the perfect background for a special project, we have got you covered. Each download is virus-free and safe for all devices.

Minimal Pattern Collection - High Resolution Quality
Stunning Full HD Colorful patterns that bring your screen to life. Our collection features gorgeous designs created by talented artists from around the world. Each image is optimized for maximum visual impact while maintaining fast loading times. Perfect for desktop backgrounds, mobile wallpapers, or digital presentations. Download now and elevate your digital experience.

Best Ocean Wallpapers in 8K
Download ultra hd Light textures for your screen. Available in HD and multiple resolutions. Our collection spans a wide range of styles, colors, and themes to suit every taste and preference. Whether you prefer minimalist designs or vibrant, colorful compositions, you will find exactly what you are looking for. All downloads are completely free and unlimited.
Incredible 4K Nature Illustrations | Free Download
Get access to beautiful Gradient picture collections. High-quality Mobile downloads available instantly. Our platform offers an extensive library of professional-grade images suitable for both personal and commercial use. Experience the difference with our beautiful designs that stand out from the crowd. Updated daily with fresh content.

Nature Images - Ultra HD Ultra HD Collection
Unlock endless possibilities with our beautiful Gradient texture collection. Featuring Ultra HD resolution and stunning visual compositions. Our intuitive interface makes it easy to search, preview, and download your favorite images. Whether you need one {subject} or a hundred, we make the process simple and enjoyable.

Conclusion
We hope this guide on How Do These Safety Relays Work Electrical Engineering Stack Exchange has been helpful. Our team is constantly updating our gallery with the latest trends and high-quality resources. Check back soon for more updates on how do these safety relays work electrical engineering stack exchange.
Related Visuals
- How do these safety relays work? - Electrical Engineering Stack Exchange
- How do these safety relays work? - Electrical Engineering Stack Exchange
- 3 - The Engineering Mindset
- Symbol or marking on safety relay - Electrical Engineering Stack Exchange
- Practical handbook for relay protection engineers | EEP
- Practical handbook for relay protection engineers | EEP
- Hyderabad Institute of Electrical Engineers: safety relays
- Comparison of Electrical Protection Relays
- switches - Explanation of structure and function of a safety relay ...
- Machine Safety - Safety Relays and Programmable Safety Controllers