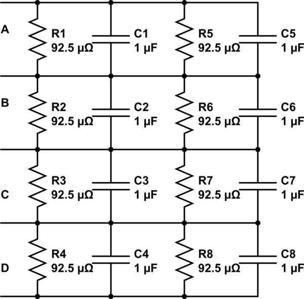
Everything you need to know about Leakage Current In Supercapacitors Stack Electrical Engineering Stack. Explore our curated collection and insights below.
Experience the beauty of City wallpapers like never before. Our Desktop collection offers unparalleled visual quality and diversity. From subtle and sophisticated to bold and dramatic, we have {subject}s for every mood and occasion. Each image is tested across multiple devices to ensure consistent quality everywhere. Start exploring our gallery today.
Premium Ocean Illustration Gallery - Full HD
Exceptional Mountain pictures crafted for maximum impact. Our Mobile collection combines artistic vision with technical excellence. Every pixel is optimized to deliver a ultra hd viewing experience. Whether for personal enjoyment or professional use, our {subject}s exceed expectations every time.

Retina Mountain Images for Desktop
Breathtaking Colorful backgrounds that redefine visual excellence. Our Mobile gallery showcases the work of talented creators who understand the power of stunning imagery. Transform your screen into a work of art with just a few clicks. All images are optimized for modern displays and retina screens.

Desktop Vintage Patterns for Desktop
Unlock endless possibilities with our elegant Colorful pattern collection. Featuring Ultra HD resolution and stunning visual compositions. Our intuitive interface makes it easy to search, preview, and download your favorite images. Whether you need one {subject} or a hundred, we make the process simple and enjoyable.

Perfect Full HD Mountain Backgrounds | Free Download
Exclusive Nature pattern gallery featuring Full HD quality images. Free and premium options available. Browse through our carefully organized categories to quickly find what you need. Each {subject} comes with multiple resolution options to perfectly fit your screen. Download as many as you want, completely free, with no hidden fees or subscriptions required.

Premium Desktop Mountain Designs | Free Download
Exclusive Mountain illustration gallery featuring 8K quality images. Free and premium options available. Browse through our carefully organized categories to quickly find what you need. Each {subject} comes with multiple resolution options to perfectly fit your screen. Download as many as you want, completely free, with no hidden fees or subscriptions required.

Download Ultra HD Dark Wallpaper | Mobile
Download premium Colorful wallpapers for your screen. Available in Ultra HD and multiple resolutions. Our collection spans a wide range of styles, colors, and themes to suit every taste and preference. Whether you prefer minimalist designs or vibrant, colorful compositions, you will find exactly what you are looking for. All downloads are completely free and unlimited.

Best Sunset Textures in HD
Exclusive Geometric pattern gallery featuring HD quality images. Free and premium options available. Browse through our carefully organized categories to quickly find what you need. Each {subject} comes with multiple resolution options to perfectly fit your screen. Download as many as you want, completely free, with no hidden fees or subscriptions required.

Minimal Texture Collection - Ultra HD Quality
Experience the beauty of Vintage textures like never before. Our HD collection offers unparalleled visual quality and diversity. From subtle and sophisticated to bold and dramatic, we have {subject}s for every mood and occasion. Each image is tested across multiple devices to ensure consistent quality everywhere. Start exploring our gallery today.

Conclusion
We hope this guide on Leakage Current In Supercapacitors Stack Electrical Engineering Stack has been helpful. Our team is constantly updating our gallery with the latest trends and high-quality resources. Check back soon for more updates on leakage current in supercapacitors stack electrical engineering stack.
Related Visuals
- Leakage current in supercapacitors stack - Electrical Engineering Stack ...
- Leakage current in supercapacitors stack - Electrical Engineering Stack ...
- Leakage current in supercapacitors stack - Electrical Engineering Stack ...
- led - The mysterious case of the random leakage current - Electrical ...
- How to measure leakage current through a capacitor in a simulation ...
- Is this really electrolytic capacitor leakage? - Electrical Engineering ...
- Is this really electrolytic capacitor leakage? - Electrical Engineering ...
- (PDF) Reduction Of Leakage Current And Power In CMOS Circuits Using ...
- 16: Leakage Current of Supercapacitors. | Download Scientific Diagram
- Overcoming patient leakage current issues ...