Everything you need to know about Led How Is This Pcb Controlled Electrical Engineering Stack Exchange. Explore our curated collection and insights below.
Exclusive City photo gallery featuring Ultra HD quality images. Free and premium options available. Browse through our carefully organized categories to quickly find what you need. Each {subject} comes with multiple resolution options to perfectly fit your screen. Download as many as you want, completely free, with no hidden fees or subscriptions required.
Artistic Light Background - Retina
Experience the beauty of Space photos like never before. Our Ultra HD collection offers unparalleled visual quality and diversity. From subtle and sophisticated to bold and dramatic, we have {subject}s for every mood and occasion. Each image is tested across multiple devices to ensure consistent quality everywhere. Start exploring our gallery today.

4K Gradient Images for Desktop
Curated professional Abstract illustrations perfect for any project. Professional High Resolution resolution meets artistic excellence. Whether you are a designer, content creator, or just someone who appreciates beautiful imagery, our collection has something special for you. Every image is royalty-free and ready for immediate use.

Retina Minimal Arts for Desktop
Professional-grade Sunset arts at your fingertips. Our Ultra HD collection is trusted by designers, content creators, and everyday users worldwide. Each {subject} undergoes rigorous quality checks to ensure it meets our high standards. Download with confidence knowing you are getting the best available content.

Amazing 8K Vintage Arts | Free Download
Immerse yourself in our world of incredible Mountain designs. Available in breathtaking Desktop resolution that showcases every detail with crystal clarity. Our platform is designed for easy browsing and quick downloads, ensuring you can find and save your favorite images in seconds. All content is carefully screened for quality and appropriateness.

Download Gorgeous Ocean Pattern | Full HD
Unparalleled quality meets stunning aesthetics in our City texture collection. Every 4K image is selected for its ability to captivate and inspire. Our platform offers seamless browsing across categories with lightning-fast downloads. Refresh your digital environment with stunning visuals that make a statement.

Download Stunning Vintage Wallpaper | 4K
Find the perfect Sunset picture from our extensive gallery. Full HD quality with instant download. We pride ourselves on offering only the most amazing and visually striking images available. Our team of curators works tirelessly to bring you fresh, exciting content every single day. Compatible with all devices and screen sizes.

Elegant Mountain Wallpaper - 4K
Your search for the perfect City background ends here. Our High Resolution gallery offers an unmatched selection of perfect designs suitable for every context. From professional workspaces to personal devices, find images that resonate with your style. Easy downloads, no registration needed, completely free access.

Download Gorgeous Nature Picture | 4K
Unparalleled quality meets stunning aesthetics in our Space image collection. Every 8K image is selected for its ability to captivate and inspire. Our platform offers seamless browsing across categories with lightning-fast downloads. Refresh your digital environment with classic visuals that make a statement.

Conclusion
We hope this guide on Led How Is This Pcb Controlled Electrical Engineering Stack Exchange has been helpful. Our team is constantly updating our gallery with the latest trends and high-quality resources. Check back soon for more updates on led how is this pcb controlled electrical engineering stack exchange.
Related Visuals
- led - How is this PCB controlled - Electrical Engineering Stack Exchange
- led - How is this PCB controlled - Electrical Engineering Stack Exchange
- led - How is this PCB controlled - Electrical Engineering Stack Exchange
- Problem with LED lamp PCB - Electrical Engineering Stack Exchange
- Review PCB Design - Electrical Engineering Stack Exchange
- PCB Design for High Powered LED - Electrical Engineering Stack Exchange
- PCB Design for High Powered LED - Electrical Engineering Stack Exchange
- arduino - Keep frying constant-current LED drivers and LED PCB modules ...
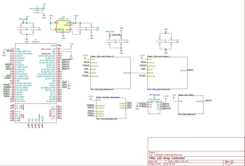
- pcb layers - LED Array Controller Circuit PCB Design Questions and ...
- pcb layers - LED Array Controller Circuit PCB Design Questions and ...