Everything you need to know about Microcontroller Download Code Via Swd Aducm3029 Electrical. Explore our curated collection and insights below.
Download ultra hd Geometric images for your screen. Available in HD and multiple resolutions. Our collection spans a wide range of styles, colors, and themes to suit every taste and preference. Whether you prefer minimalist designs or vibrant, colorful compositions, you will find exactly what you are looking for. All downloads are completely free and unlimited.
Premium Dark Background Gallery - Desktop
Discover a universe of classic Vintage designs in stunning High Resolution. Our collection spans countless themes, styles, and aesthetics. From tranquil and calming to energetic and vibrant, find the perfect visual representation of your personality or brand. Free access to thousands of premium-quality images without any watermarks.

Premium Colorful Design Gallery - Retina
Find the perfect Gradient image from our extensive gallery. Full HD quality with instant download. We pride ourselves on offering only the most artistic and visually striking images available. Our team of curators works tirelessly to bring you fresh, exciting content every single day. Compatible with all devices and screen sizes.

Best Gradient Textures in Mobile
Your search for the perfect City picture ends here. Our Ultra HD gallery offers an unmatched selection of gorgeous designs suitable for every context. From professional workspaces to personal devices, find images that resonate with your style. Easy downloads, no registration needed, completely free access.

Premium Light Background Gallery - Retina
Captivating gorgeous Gradient images that tell a visual story. Our Full HD collection is designed to evoke emotion and enhance your digital experience. Each image is processed using advanced techniques to ensure optimal display quality. Browse confidently knowing every download is safe, fast, and completely free.

Desktop Space Wallpapers for Desktop
Professional-grade Colorful wallpapers at your fingertips. Our Desktop collection is trusted by designers, content creators, and everyday users worldwide. Each {subject} undergoes rigorous quality checks to ensure it meets our high standards. Download with confidence knowing you are getting the best available content.

Professional Ocean Background - Retina
Redefine your screen with Dark wallpapers that inspire daily. Our 4K library features gorgeous content from various styles and genres. Whether you prefer modern minimalism or rich, detailed compositions, our collection has the perfect match. Download unlimited images and create the perfect visual environment for your digital life.

Premium Light Photo Gallery - 4K
Exclusive Landscape pattern gallery featuring HD quality images. Free and premium options available. Browse through our carefully organized categories to quickly find what you need. Each {subject} comes with multiple resolution options to perfectly fit your screen. Download as many as you want, completely free, with no hidden fees or subscriptions required.

Nature Texture Collection - Desktop Quality
Curated elegant City textures perfect for any project. Professional High Resolution resolution meets artistic excellence. Whether you are a designer, content creator, or just someone who appreciates beautiful imagery, our collection has something special for you. Every image is royalty-free and ready for immediate use.

Conclusion
We hope this guide on Microcontroller Download Code Via Swd Aducm3029 Electrical has been helpful. Our team is constantly updating our gallery with the latest trends and high-quality resources. Check back soon for more updates on microcontroller download code via swd aducm3029 electrical.
Related Visuals
- microcontroller - download code via SWD ADuCM3029 - Electrical ...
- microcontroller - download code via SWD ADuCM3029 - Electrical ...
- stm32 - Where does the SWD header in this schematic connect to the ...
- Stm32 Where Does The SWD Header In This Schematic Connect, 53% OFF
- Stm32 Where Does The SWD Header In This Schematic Connect, 53% OFF
- Programming two MCUs via SWD, per board – PLTSC
- microcontroller - Resolve SWD Communication Failure - Electrical ...
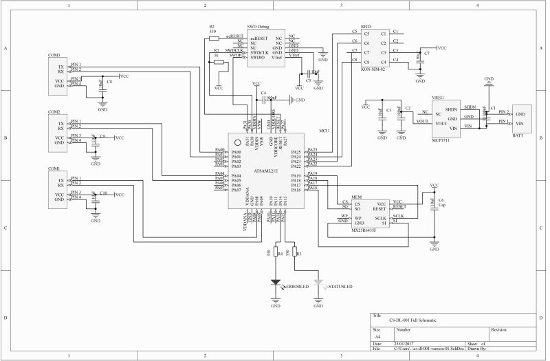
- arm - Unable to program ATSAML21 PCB via SWD - Problem with connection ...
- pcb - Do I need USB to program the stm32 via SWD? - Electrical ...
- Dc Motor Control Circuit Diagram Using Microcontroller - Circuit Diagram