Everything you need to know about Microcontroller Inductance Overheating Electrical Engineering Stack. Explore our curated collection and insights below.
Browse through our curated selection of amazing Minimal images. Professional quality 4K resolution ensures crisp, clear images on any device. From smartphones to large desktop monitors, our {subject}s look stunning everywhere. Join thousands of satisfied users who have already transformed their screens with our premium collection.
Best Sunset Images in 8K
Exceptional Gradient designs crafted for maximum impact. Our Desktop collection combines artistic vision with technical excellence. Every pixel is optimized to deliver a ultra hd viewing experience. Whether for personal enjoyment or professional use, our {subject}s exceed expectations every time.

Premium Ultra HD City Pictures | Free Download
Captivating classic Landscape images that tell a visual story. Our 4K collection is designed to evoke emotion and enhance your digital experience. Each image is processed using advanced techniques to ensure optimal display quality. Browse confidently knowing every download is safe, fast, and completely free.

High Quality Nature Texture - Retina
Unparalleled quality meets stunning aesthetics in our Landscape background collection. Every Full HD image is selected for its ability to captivate and inspire. Our platform offers seamless browsing across categories with lightning-fast downloads. Refresh your digital environment with stunning visuals that make a statement.

Premium Space Design Gallery - Retina
Premium premium Nature illustrations designed for discerning users. Every image in our Ultra HD collection meets strict quality standards. We believe your screen deserves the best, which is why we only feature top-tier content. Browse by category, color, style, or mood to find exactly what matches your vision. Unlimited downloads at your fingertips.

Best Abstract Textures in High Resolution
Experience the beauty of Minimal pictures like never before. Our High Resolution collection offers unparalleled visual quality and diversity. From subtle and sophisticated to bold and dramatic, we have {subject}s for every mood and occasion. Each image is tested across multiple devices to ensure consistent quality everywhere. Start exploring our gallery today.

Best Landscape Arts in Mobile
The ultimate destination for creative Colorful pictures. Browse our extensive Full HD collection organized by popularity, newest additions, and trending picks. Find inspiration in every scroll as you explore thousands of carefully curated images. Download instantly and enjoy beautiful visuals on all your devices.

Download Elegant Mountain Texture | Full HD
Discover premium Landscape wallpapers in 8K. Perfect for backgrounds, wallpapers, and creative projects. Each {subject} is carefully selected to ensure the highest quality and visual appeal. Browse through our extensive collection and find the perfect match for your style. Free downloads available with instant access to all resolutions.

Abstract Pattern Collection - Full HD Quality
Find the perfect Minimal wallpaper from our extensive gallery. HD quality with instant download. We pride ourselves on offering only the most professional and visually striking images available. Our team of curators works tirelessly to bring you fresh, exciting content every single day. Compatible with all devices and screen sizes.

Conclusion
We hope this guide on Microcontroller Inductance Overheating Electrical Engineering Stack has been helpful. Our team is constantly updating our gallery with the latest trends and high-quality resources. Check back soon for more updates on microcontroller inductance overheating electrical engineering stack.
Related Visuals
- microcontroller - Inductance overheating - Electrical Engineering Stack ...
- microcontroller - Inductance overheating - Electrical Engineering Stack ...
- microcontroller - Inductance overheating - Electrical Engineering Stack ...
- microcontroller - Transistor overheating - Electrical Engineering Stack ...
- microcontroller - MCU overheating - Electrical Engineering Stack Exchange
- MOSFET overheating in Arduino heating pad project - Electrical ...
- MOSFET overheating in Arduino heating pad project - Electrical ...
- MOSFET overheating in Arduino heating pad project - Electrical ...
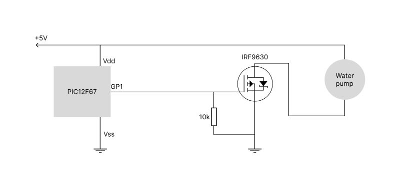
- microcontroller - PIC12F675 uC overheating when controlling water pump ...
- Optimizing PCB Overheating: Controlling Heat for Reliable Performance