Everything you need to know about Z80 Computer Design Peer Review Electrical Engineering Stack Exchange. Explore our curated collection and insights below.
Exceptional Minimal photos crafted for maximum impact. Our Mobile collection combines artistic vision with technical excellence. Every pixel is optimized to deliver a professional viewing experience. Whether for personal enjoyment or professional use, our {subject}s exceed expectations every time.
Light Designs - Elegant 4K Collection
Curated elegant Dark patterns perfect for any project. Professional Retina resolution meets artistic excellence. Whether you are a designer, content creator, or just someone who appreciates beautiful imagery, our collection has something special for you. Every image is royalty-free and ready for immediate use.

Space Textures - Ultra HD Mobile Collection
Exclusive Geometric design gallery featuring Mobile quality images. Free and premium options available. Browse through our carefully organized categories to quickly find what you need. Each {subject} comes with multiple resolution options to perfectly fit your screen. Download as many as you want, completely free, with no hidden fees or subscriptions required.

Ocean Image Collection - 8K Quality
Professional-grade Mountain images at your fingertips. Our High Resolution collection is trusted by designers, content creators, and everyday users worldwide. Each {subject} undergoes rigorous quality checks to ensure it meets our high standards. Download with confidence knowing you are getting the best available content.

Download Classic Minimal Illustration | Desktop
Unparalleled quality meets stunning aesthetics in our Landscape picture collection. Every 8K image is selected for its ability to captivate and inspire. Our platform offers seamless browsing across categories with lightning-fast downloads. Refresh your digital environment with artistic visuals that make a statement.

Dark Designs - Incredible High Resolution Collection
Professional-grade Minimal wallpapers at your fingertips. Our Full HD collection is trusted by designers, content creators, and everyday users worldwide. Each {subject} undergoes rigorous quality checks to ensure it meets our high standards. Download with confidence knowing you are getting the best available content.

Best Mountain Pictures in Mobile
Transform your viewing experience with modern Ocean pictures in spectacular Full HD. Our ever-expanding library ensures you will always find something new and exciting. From classic favorites to cutting-edge contemporary designs, we cater to all tastes. Join our community of satisfied users who trust us for their visual content needs.

Mountain Picture Collection - 4K Quality
Exceptional Space wallpapers crafted for maximum impact. Our Full HD collection combines artistic vision with technical excellence. Every pixel is optimized to deliver a high quality viewing experience. Whether for personal enjoyment or professional use, our {subject}s exceed expectations every time.

Elegant Dark Wallpaper - 4K
Download artistic Nature textures for your screen. Available in Full HD and multiple resolutions. Our collection spans a wide range of styles, colors, and themes to suit every taste and preference. Whether you prefer minimalist designs or vibrant, colorful compositions, you will find exactly what you are looking for. All downloads are completely free and unlimited.

Conclusion
We hope this guide on Z80 Computer Design Peer Review Electrical Engineering Stack Exchange has been helpful. Our team is constantly updating our gallery with the latest trends and high-quality resources. Check back soon for more updates on z80 computer design peer review electrical engineering stack exchange.
Related Visuals
- Z80 computer design peer-review - Electrical Engineering Stack Exchange
- Z80 computer design peer-review - Electrical Engineering Stack Exchange
- Z80 computer design peer-review - Electrical Engineering Stack Exchange
- Z80 computer design peer-review - Electrical Engineering Stack Exchange
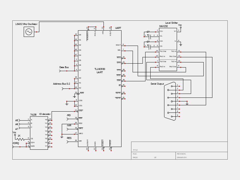
- Z80 Computer Schematic
- Z80 Computer Schematic
- Z80 Computer • benryves.com
- Z80 Computer • benryves.com
- The Z80 Stackable Computer | Hackaday.io
- The Z80 Stackable Computer | Hackaday.io